Slovak Airgun Field Target Association

Diskusné fórum SAFTA a priateľov vzduchových zbraní
www.ft-hft.sk www.sportovastrelba.sk
Aktuálny čas je 31 Jan 2026, 05:49

Všetky časy sú v GMT [ letný čas ]




Vytvoriť novú tému Odpovedať na tému  [ Príspevkov: 159 ]  Choď na stránku Predchádzajúci  1 ... 8, 9, 10, 11, 12, 13, 14 ... 16  Ďalší
Autor Správa
 Predmet príspevku: Re: Air Arms Pro-Sport
PoslaťNapísal: 20 Sep 2012, 11:58 
Offline
veterán
veterán

Registrovaný: 29 Júl 2010, 06:09
Príspevky: 667
Bydlisko: Trnafsko ;-)
terčovky sú na 10 m strelbu... ;-) a neboj sa ked sa s ňou naučíš strielať... (na pručinovku treba tak 1-2 krabičky vypukať aby ste si sadli) potom to pojde... proste musí byť vždy rovnaký úchop, sila, miesto podopretia atd. ináč to lieta hore dole...

ale ako ja hovorím, koho vychovala pružinovka s PCP problem nemá, naopak to ale až tak nefunguje...

_________________
AA Pro-Sport + Hawke Eclipse 30 SF 6-24x50 + Kozap č.21 + JSB Exact 4,51
--- === ((( as mad as possible ))) === ---


Hore
 Profil  
 
 Predmet príspevku: Re: Air Arms Pro-Sport
PoslaťNapísal: 20 Sep 2012, 16:12 
Offline
vo výslužbe
vo výslužbe
Obrázok užívateľa

Registrovaný: 02 Júl 2010, 23:46
Príspevky: 2499
Bydlisko: Zvolen
"proste musí byť vždy rovnaký úchop, sila, miesto podopretia atd. ináč to lieta hore dole..."
na toto pamataj pri každom výstrele z pružinovky. ;) :thumbup:


Hore
 Profil  
 
 Predmet príspevku: Re: Air Arms Pro-Sport
PoslaťNapísal: 20 Sep 2012, 18:44 
Offline
nováčik
nováčik

Registrovaný: 25 Aug 2012, 20:35
Príspevky: 26
No dal jsem testovaci krabicku EXACT. A uz to lita jinak. 20m, sed s oporou bag, Vortex PST 1-4x24. Do kazdeho terce 5 ran


Prílohy:
aaps4.jpg
aaps4.jpg [ 20.82 KiB | Zobrazené 4007 krát ]
Hore
 Profil  
 
 Predmet príspevku: Re: Air Arms Pro-Sport
PoslaťNapísal: 10 Nov 2012, 16:51 
Offline
veterán
veterán

Registrovaný: 29 Júl 2010, 06:09
Príspevky: 667
Bydlisko: Trnafsko ;-)
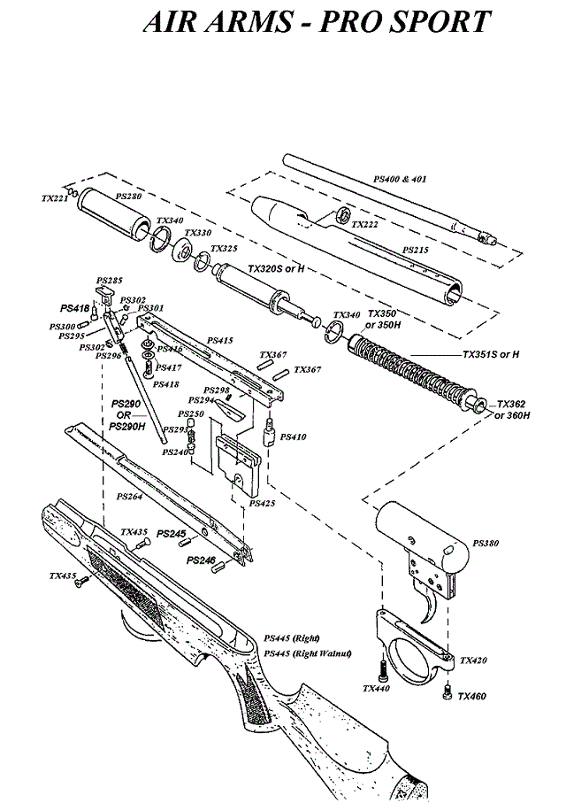
hmmm... práve si študujem návod na montáž a demontáž (pretrel som si teraz pažbu olejom, keby náhodov pršalo) a narazil som na jednu "nelogickosť", aj ked ono je to tak správne...

ja len tak, reku ak by niekto nevedel, lebo ide zima a to je ten správny čas na údržbu a ak by niekto nečítal návody (čo my chlapi väčšinou nerobíme):

púzdro zbrane v pažbe drží 6 šrobov z toho 4 sú zboku a 2 sú v lučíku spúšte... a tu je tá "nelogickosť" je tam jeden velký a jeden malý šrob a logicky by každý ten velký utiahol, že poriadne... ale v návode sa píše, pri montáži najprv uťahujeme ten zadný - menší šrob TX 460, ktorý drží lučík na spúštovom mechanizme a potom jemne doťahujeme ten predný - velký TX 440 len tak aby držal, s upozornením, že nepriťahovať ho silno lebo pôsobí potom na celý spúšťový mechanizmus...

je to tak trochu nelogické že silnejšie uťahujeme malý šrobik, ako velký ale tak to má byť...

IMPORTANT NOTICE.
WHEN THE TRIGGER GUARD IS REPLACED THE REAR SCREW (TX460) MUST BE TIGHTENED BEFORE THE
FRONT SCREW (TX 440). DO NOT OVERTIGHTEN THE FRONT SCREW. THIS SCREW PULLS THE ACTION INTO
THE STOCK AND ONLY NEEDS TO BE TIGHT ENOUGH TO STOP MOVEMENT WITHIN THE STOCK.


Prílohy:
Air_Arms_Pro_Sport.gif
Air_Arms_Pro_Sport.gif [ 41.82 KiB | Zobrazené 3828 krát ]

_________________
AA Pro-Sport + Hawke Eclipse 30 SF 6-24x50 + Kozap č.21 + JSB Exact 4,51
--- === ((( as mad as possible ))) === ---
Hore
 Profil  
 
 Predmet príspevku: Re: Air Arms Pro-Sport
PoslaťNapísal: 10 Nov 2012, 19:27 
Offline
profesionál
profesionál
Obrázok užívateľa

Registrovaný: 03 Júl 2010, 12:39
Príspevky: 717
Bydlisko: Mladá Boleslav
Je to logicke, a navod som nikdy necital no predsa to tak robim.
Ved ten velky prechadza aj cez pazbu a maly ide priamo na zelezo. Akoby to vyzeralo, keby si dotiahol nieco s citom pretoze hrozi praskunie pazby a potom to este viac pritiahol o kusok dalej inym sroubom? Logicky predsa nepriamo pritiahnes aj ten prvy, ktory akoby este pruzil v dreve. Tym padom hrozi urcite poskodenie pazby. Kdezto ak utiahnes najskor ten kde to ide priamo na kov a potom dotiahnes s citom velky na dreve. Tak nic neposkodis. :)
Ziadne prekvapenie sa nekonalo.

_________________
:arrow: zbraň: Air-Arms Pro-Sport 15,0 J :arrow: optika: Bushnell Elite 3200T 5-15x40
:arrow: strelivo: Diabolo JSB Heavy cal. 4.5 :arrow:montáž: KOZAP model 23 - CZ 452


Hore
 Profil  
 
 Predmet príspevku: Re: Air Arms Pro-Sport
PoslaťNapísal: 11 Nov 2012, 13:38 
Offline
veterán
veterán

Registrovaný: 29 Júl 2010, 06:09
Príspevky: 667
Bydlisko: Trnafsko ;-)
marek neboj nám technicky zdatným je to jasné, ale niekto kto nerieši návody a mechaniku o tom vedieť nemusí, a tak všetko utiahne tzv. na krv... prosporta, resp. TX200 držia hlavne tie 4 šroby zboku...

zničenia pažby by som sa nebál, je to masívne a nie je tam na to ani velký priestor... tam ide skôr o iný efekt, že sa to začne akoby krížiť, resp. veľký predný šrob priťahovaním spôsobí to, že celý spúšťový mechanizmus bude pákovo ťahať smerom dolu do pažby... a kedže tam hned vedla sa nastavuje celkový odpor spúšte tak to asi na to pôsobí a preto ma to zaujalo, že je to v návode vyslovene napísané ako upozornenie...

_________________
AA Pro-Sport + Hawke Eclipse 30 SF 6-24x50 + Kozap č.21 + JSB Exact 4,51
--- === ((( as mad as possible ))) === ---


Hore
 Profil  
 
 Predmet príspevku: Re: Air Arms Pro-Sport
PoslaťNapísal: 11 Nov 2012, 20:46 
Offline
Moderátor fóra
Moderátor fóra
Obrázok užívateľa

Registrovaný: 19 Júl 2010, 23:03
Príspevky: 4281
Bydlisko: Trnava
Ivco-Ivan píše:
"proste musí byť vždy rovnaký úchop, sila, miesto podopretia atd. ináč to lieta hore dole..."
na toto pamataj pri každom výstrele z pružinovky. ;) :thumbup:

Ako to robite, dnes som prvy krat dlhsie strielal s pruzinou, skusal som menit uchop, miesto podopretia, silu pritlacenia do ramena a nic take sa nedialo. Robim niekde chybu? :mdr2:

_________________
https://irongoat.sk/


Hore
 Profil  
 
 Predmet príspevku: Re: Air Arms Pro-Sport
PoslaťNapísal: 11 Nov 2012, 21:11 
Offline
vo výslužbe
vo výslužbe
Obrázok užívateľa

Registrovaný: 02 Júl 2010, 23:46
Príspevky: 2499
Bydlisko: Zvolen
ano. uvidíš na súťaži.
potom sa ma spýtaj.


Hore
 Profil  
 
 Predmet príspevku: Re: Air Arms Pro-Sport
PoslaťNapísal: 11 Nov 2012, 22:39 
Offline
Moderátor fóra
Moderátor fóra
Obrázok užívateľa

Registrovaný: 19 Júl 2010, 23:03
Príspevky: 4281
Bydlisko: Trnava
Po sutazi sa samozrejme na to vyhovorim.

_________________
https://irongoat.sk/


Hore
 Profil  
 
 Predmet príspevku: Re: Air Arms Pro-Sport
PoslaťNapísal: 27 Jan 2014, 19:46 
Offline
junior
junior
Obrázok užívateľa

Registrovaný: 28 Máj 2011, 13:25
Príspevky: 59
fero píše:
Ivco-Ivan píše:
"proste musí byť vždy rovnaký úchop, sila, miesto podopretia atd. ináč to lieta hore dole..."
na toto pamataj pri každom výstrele z pružinovky. ;) :thumbup:

Ako to robite, dnes som prvy krat dlhsie strielal s pruzinou, skusal som menit uchop, miesto podopretia, silu pritlacenia do ramena a nic take sa nedialo. Robim niekde chybu? :mdr2:

Tak na tému úchopu pružinovky som chcel reagovať už keď som mal D 460....
Dali sme to do mastrelováku kde testujeme laborácie streliva a tá Haraburda strielala rovnako , hoc som jej menil ťažisko úchopu akokoľvek.
Prečo sa ale nemenil nástrel na desať metrov ani pri Falcon 96, nám bolo záhadou. :-)
LG 400 detto....
Ale somsi povedal že reagovať nebudem...Račej. =-O


Hore
 Profil  
 
Zobraziť príspevky z predchádzajúceho:  Zoradiť podľa  
Vytvoriť novú tému Odpovedať na tému  [ Príspevkov: 159 ]  Choď na stránku Predchádzajúci  1 ... 8, 9, 10, 11, 12, 13, 14 ... 16  Ďalší

Všetky časy sú v GMT [ letný čas ]


Kto je on-line

Užívatelia prezerajúci fórum: Žiadny registrovaný užívateľ nie je prítomný a 6 hostia


Nemôžete zakladať nové témy v tomto fóre
Nemôžete odpovedať na témy v tomto fóre
Nemôžete upravovať svoje príspevky v tomto fóre
Nemôžete mazať svoje príspevky v tomto fóre
Nemôžete zasielať súbory v tomto fóre

Hľadať:
Skočiť na:  
cron
Powered by phpBB® Forum Software © phpBB Group
Slovenský preklad: phpbb3.sk | phpbb.sk.